- Home > Products > Earthing Switch
12KV Indoor AC high voltage earthing switch JN17-12/40
Product definitionIntroductionJN17-12/40 (Old type is JN15-12/40) Series indoor
- Model:JN17-12/40
Product Details
Product definition

Introduction
JN17-12/40 (Old type is JN15-12/40) Series indoor high voltage earthing switch is a new design and improved product based on the ES1 type. The structure is assembled and suitable for electric power system with 3~10KV, three- phase and AC 50(60)Hz. As an earthing protection, it can be used in various kinds of HV switchgears. It meets GB1985-2004 and IEC129 standard.
Working condition
O Ambient temperature: -10°C -+40°C ; O Altitude: ≤1000m; O Relative humidity:Daily average≤95%,Monthly average≤90% O Earthquake intensit:≤8 degree; O Dirtiness degree: II.
Drawing

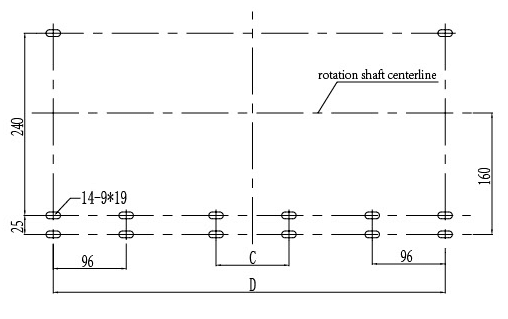
Hole location diagram

Technical Parameter
| No. | ltem | Unit | Data | |
| 1 | Rated voltage | KV | 12 | |
| 2 | Rated short time withstand current | KA | 40 | |
| 3 | Rated short circuit withstand time | S | 4 | |
| 4 | Rated short circuit making current | KA | 80 | |
| 5 | Rated peak withstand current | KA | 80 | |
| 6 | Rated insulation level | 1min power frequency withstand voltage | KV | 42 |
| Lightning Impulse withstand voltage | 75 | |||
| 7 | Mechanical life | TIMES | 2000 | |
| (Unit:mm) | |||||
| Specification | E | F | G | H | D |
| JN17-12/40-210 | 210 | 50 | 185 | 655 | 516 |
| JN17-12/40-220 | 220 | 50 | 185 | 675 | 536 |
| JN17-12/40-230 | 230 | 50 | 185 | 695 | 556 |
| JN17-12/40-250 | 250 | 50 | 185 | 735 | 596 |
| JN17-12/40-275 | 275 | 50 | 210 | 810 | 646 |

Contact Us
We are committed to providing you with the highest quality products and excellent services. If you have any questions or need assistance with our products, please feel free to contact us and we will be happy to serve you.

